Regler og Retningslinjer TRYK HER
Potentiometer til blæserregulering
- Bergenser
- Kejser fisk

- Reactions: 0
- Indlæg: 522
- Tilmeldt: lør 13. jun 2009 21:34
- 16
- Postnummer: 3450 Allerød
- Saltvand siden?: 2009
Potentiometer til blæserregulering
Hejsa
Jeg har brug for en elektronik ekspert.
Jeg har en blæser som jeg ønsker at hastighedsregulere med et potentiometer.
Den forsynes fra en 12DCV trafo og reguleres af et 4k7(4700ohm) potentiometer.
Når jeg ikke har belastning på reguleres hele volt niveauet rigtigt fint fra 1-12DCV. MEN, når der kommer en blæser på kan jeg ikke regulere i samme område, enten har jeg 12DCV ellers har jeg 3DCV, svarende til fuld gas eller slet ikke.
Jeg har en mistanke om at potentiometeret ikke kan håndtere det, men hvorfor? og hvordan får jeg skidtet til at virke? Mvh Bergenser
Jeg har brug for en elektronik ekspert.
Jeg har en blæser som jeg ønsker at hastighedsregulere med et potentiometer.
Den forsynes fra en 12DCV trafo og reguleres af et 4k7(4700ohm) potentiometer.
Når jeg ikke har belastning på reguleres hele volt niveauet rigtigt fint fra 1-12DCV. MEN, når der kommer en blæser på kan jeg ikke regulere i samme område, enten har jeg 12DCV ellers har jeg 3DCV, svarende til fuld gas eller slet ikke.
Jeg har en mistanke om at potentiometeret ikke kan håndtere det, men hvorfor? og hvordan får jeg skidtet til at virke? Mvh Bergenser
- Bergenser
- Kejser fisk

- Reactions: 0
- Indlæg: 522
- Tilmeldt: lør 13. jun 2009 21:34
- 16
- Postnummer: 3450 Allerød
- Saltvand siden?: 2009
Re: Potentiometer til blæserregulering
Tror sku modstanden er for stor i potentiometeret! er der nogen der kan bekræfte dette?
Mvh Bergenser
Mvh Bergenser
-
Rasp1977
- Klovnfisk

- Reactions: 0
- Indlæg: 92
- Tilmeldt: fre 16. nov 2012 19:02
- 13
- Postnummer: 8350 Hundslund
- Saltvand siden?: 2012
Re: Potentiometer til blæserregulering
Der er en lille guide her til hvordan man gør : http://www.ehow.com/how_6604169_wire-po ... r-fan.html
Ikke at jeg ved noget om den slags, men tror du har ret.
Ikke at jeg ved noget om den slags, men tror du har ret.
- Bergenser
- Kejser fisk

- Reactions: 0
- Indlæg: 522
- Tilmeldt: lør 13. jun 2009 21:34
- 16
- Postnummer: 3450 Allerød
- Saltvand siden?: 2009
Re: Potentiometer til blæserregulering
Fin guide!
Det prøver vi lige engang.
Oplysninger blæser:
120mm
12DCV
0.35A
Ohmslov
Dvs. R=U/I = 12/0.35= 34.2 ohm
Effektformel
P=U*I = 12*0.35= 4.2W i alt 8.4W, da der er 2 blæsere
Så jeg skal finde et potentiometer på ca. 35 ohm og 10W, eller hvad?
Mvh Bergenser
Det prøver vi lige engang.
Oplysninger blæser:
120mm
12DCV
0.35A
Ohmslov
Dvs. R=U/I = 12/0.35= 34.2 ohm
Effektformel
P=U*I = 12*0.35= 4.2W i alt 8.4W, da der er 2 blæsere
Så jeg skal finde et potentiometer på ca. 35 ohm og 10W, eller hvad?
Mvh Bergenser
-
Rasp1977
- Klovnfisk

- Reactions: 0
- Indlæg: 92
- Tilmeldt: fre 16. nov 2012 19:02
- 13
- Postnummer: 8350 Hundslund
- Saltvand siden?: 2012
Re: Potentiometer til blæserregulering
Der er jeg dig et svar skyldig da jeg ikke aner en dyt om sådan noget 
-
Kim Bauer
- Sommerfugl fisk

- Reactions: 0
- Indlæg: 193
- Tilmeldt: søn 11. dec 2011 21:10
- 14
- Postnummer: 3650 Ølstykke
- Saltvand siden?: 2012
- Geografisk sted: Nordsjælland
Re: Potentiometer til blæserregulering
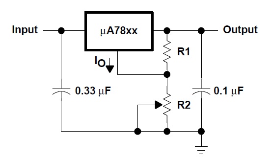
Det vil ikke virke.
Du skal have fat i en regulator.
Kan laves med em 7805 (5v regulator)
R1 2k4 1/4w modstand
R2 1k0 potmeter
Så kan du justerer spændingen fra 5-12v
Husk køling af 7805 regulatoren.
Du skal have fat i en regulator.
Kan laves med em 7805 (5v regulator)
R1 2k4 1/4w modstand
R2 1k0 potmeter
Så kan du justerer spændingen fra 5-12v
Husk køling af 7805 regulatoren.
- Jesperctc
- Sommerfugl fisk

- Reactions: 0
- Indlæg: 194
- Tilmeldt: man 4. okt 2010 17:33
- 15
- Postnummer: 7190 Billund
- Saltvand siden?: 2010
Re: Potentiometer til blæserregulering
kan ikke lige forstå det ikke virker, for jeg har da brugt en 10k ohm potentiometer før til at dæmpe hastighed med på 12v fan, hvordan har du forbundet den til fan'en ?
det skal bare gøres lige som her ( http://www.sevenforums.com/tutorials/87 ... r-own.html )
det skal bare gøres lige som her ( http://www.sevenforums.com/tutorials/87 ... r-own.html )
NY 300 Liters med 112 Liters sump http://www.saltvandsforum.dk/viewtopic.php?f=93&t=43717
GAMMEL 160 liter med indvendig sump http://www.saltvandsforum.dk/viewtopic.php?f=5&t=39053
GAMMEL 160 liter med indvendig sump http://www.saltvandsforum.dk/viewtopic.php?f=5&t=39053
- Bergenser
- Kejser fisk

- Reactions: 0
- Indlæg: 522
- Tilmeldt: lør 13. jun 2009 21:34
- 16
- Postnummer: 3450 Allerød
- Saltvand siden?: 2009
Re: Potentiometer til blæserregulering
Har monteret sådan her: Når jeg måler på opstillingen regulere den fint fra 0-10V, dog ikke når jeg belaster potentiometeret med blæserenJesperctc skrev:kan ikke lige forstå det ikke virker, for jeg har da brugt en 10k ohm potentiometer før til at dæmpe hastighed med på 12v fan, hvordan har du forbundet den til fan'en ?
det skal bare gøres lige som her ( http://www.sevenforums.com/tutorials/87 ... r-own.html )
Mvh Bergenser
- Jesperctc
- Sommerfugl fisk

- Reactions: 0
- Indlæg: 194
- Tilmeldt: man 4. okt 2010 17:33
- 15
- Postnummer: 7190 Billund
- Saltvand siden?: 2010
Re: Potentiometer til blæserregulering
Gør sådan her i stedet for
NY 300 Liters med 112 Liters sump http://www.saltvandsforum.dk/viewtopic.php?f=93&t=43717
GAMMEL 160 liter med indvendig sump http://www.saltvandsforum.dk/viewtopic.php?f=5&t=39053
GAMMEL 160 liter med indvendig sump http://www.saltvandsforum.dk/viewtopic.php?f=5&t=39053
- Ryom
- Rev haj

- Reactions: 0
- Indlæg: 1633
- Tilmeldt: ons 10. sep 2008 13:15
- 17
- Postnummer: 8550 Ryomgård
- Geografisk sted: 8550 Ryomgaard
- Bergenser
- Kejser fisk

- Reactions: 0
- Indlæg: 522
- Tilmeldt: lør 13. jun 2009 21:34
- 16
- Postnummer: 3450 Allerød
- Saltvand siden?: 2009
Re: Potentiometer til blæserregulering
Vi er enige om at vi har med en variabel modstand af gøre, altså fra 0-4700ohm?
Så lad os tage udgangspunkt i fuld modstand, altså 4700ohm+ 35ohm fra blæseren, så har vi ialt 4735ohm i kredsen. Fordelt på 12V giver det en strøm på 0,0025A, hvilket betyder at vi har 0,0025x35= 0,00875V over blæseren, resten spiser modstanden.
Så skruer vi halv styrke på modstanden, svarende til 2350+ 35 fra blæseren, i alt 2385 ohm i kredsen. Det giver 12/2385= 0,005A i kredsen. Det betyder at vores blæser får 0,005x35=0,18v. Kan godt se hvor vi ender henne før vi får de 5 v som jeg betragter som minimum for at blæseren kan kører.
Lad os regne videre:
Hvis vi ønsker 5V over blæsere skal vi bruge 5v/35ohm = 0,142A i kredsen. Hvordan får vi det ? Jo 12V/0,142=84,5ohm. Nu er blæseren 35ohm, så potentiometerets modstand skal være 84,5-35= 50ohm.
Lad os dobbelt tjekke, nu leger vi at potentiometeret er skruet på fuld modstand, altså 50 ohm.
Samlet modstand i kredsen 50+35= 85ohm, det svarer til 12V/85ohm= 0,1411A. Dvs. blæseren får 35ohm x 0,1411A = 4,94V
Ved ikke om det giver mening, men nu prøver jeg at bestille et 50ohm potentiometer 10W.
Mvh Bergenser
Så lad os tage udgangspunkt i fuld modstand, altså 4700ohm+ 35ohm fra blæseren, så har vi ialt 4735ohm i kredsen. Fordelt på 12V giver det en strøm på 0,0025A, hvilket betyder at vi har 0,0025x35= 0,00875V over blæseren, resten spiser modstanden.
Så skruer vi halv styrke på modstanden, svarende til 2350+ 35 fra blæseren, i alt 2385 ohm i kredsen. Det giver 12/2385= 0,005A i kredsen. Det betyder at vores blæser får 0,005x35=0,18v. Kan godt se hvor vi ender henne før vi får de 5 v som jeg betragter som minimum for at blæseren kan kører.
Lad os regne videre:
Hvis vi ønsker 5V over blæsere skal vi bruge 5v/35ohm = 0,142A i kredsen. Hvordan får vi det ? Jo 12V/0,142=84,5ohm. Nu er blæseren 35ohm, så potentiometerets modstand skal være 84,5-35= 50ohm.
Lad os dobbelt tjekke, nu leger vi at potentiometeret er skruet på fuld modstand, altså 50 ohm.
Samlet modstand i kredsen 50+35= 85ohm, det svarer til 12V/85ohm= 0,1411A. Dvs. blæseren får 35ohm x 0,1411A = 4,94V
Ved ikke om det giver mening, men nu prøver jeg at bestille et 50ohm potentiometer 10W.
Mvh Bergenser
- Bergenser
- Kejser fisk

- Reactions: 0
- Indlæg: 522
- Tilmeldt: lør 13. jun 2009 21:34
- 16
- Postnummer: 3450 Allerød
- Saltvand siden?: 2009
Re: Potentiometer til blæserregulering
Så fik jeg endelig mit potentiometer fra Polen. 7 dage og 100kr senere, så havde jeg det.
Min teori holdt dog ikke 100% stik. Jeg havde forventet, at jeg ved maks modstand havde 5V og at blæseren derved kørte.
Det var dog ikke tilfældet, blæseren slukker helt.
Men, jeg har stadig et meget fint reguleringsområde så jeg kan ramme nøjagtig de omdrejninger der ingen lyd giver. Det er Win Win, jeg er glad og konen er glad!
Mvh Bergenser
Min teori holdt dog ikke 100% stik. Jeg havde forventet, at jeg ved maks modstand havde 5V og at blæseren derved kørte.
Det var dog ikke tilfældet, blæseren slukker helt.
Men, jeg har stadig et meget fint reguleringsområde så jeg kan ramme nøjagtig de omdrejninger der ingen lyd giver. Det er Win Win, jeg er glad og konen er glad!
Mvh Bergenser
