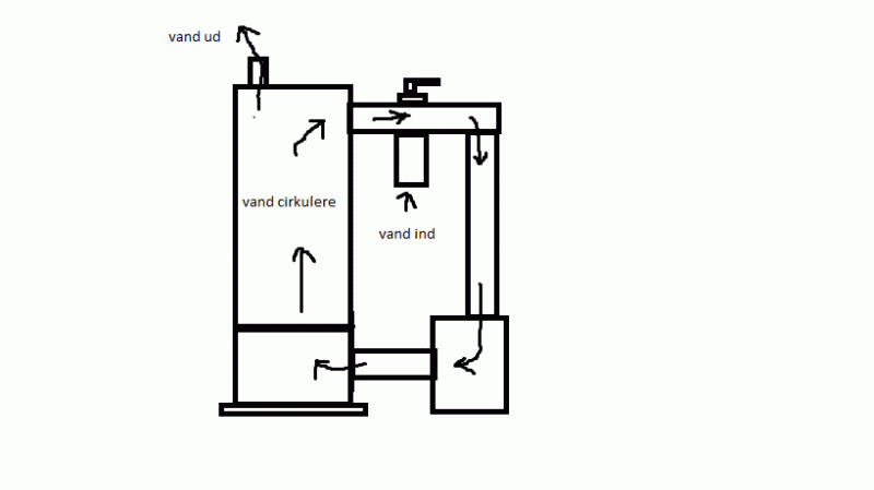
hej sf kan i lige hjælpe mig med at forstå vandflowet i den her kalkreaktor [align=]http://www.seastars.dk/prestashop/1617- ... aktor.html[/align]
har lavet en lille paint tegning sådan som jeg ser det er det korrekt?
hjælp til kalkreaktor
-
glarmesteren
- Grøn Chromis

- Reactions: 0
- Indlæg: 44
- Tilmeldt: man 1. mar 2010 14:41
- 15
- Postnummer: 5500 Middelfart
- Saltvand siden?: 2010
-
glarmesteren
- Grøn Chromis

- Reactions: 0
- Indlæg: 44
- Tilmeldt: man 1. mar 2010 14:41
- 15
- Postnummer: 5500 Middelfart
- Saltvand siden?: 2010

