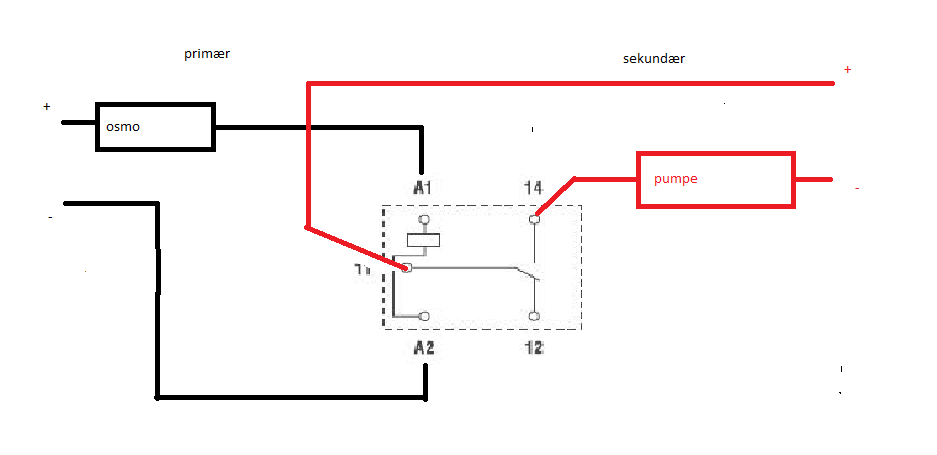
Men er helt blank på hvilke ledninger der skal loddes på hvor for at det fungere..
Jeg har
12v omformer
Flyder
12v pumpe
Tegningen over relæet ser således ud, Hvis der skulle side en der havde lidt tid til overs som ville tegne ind hvordan tingene skulle loddes på relæet ville min dag være redet




