Ravnox, Har godt set det med de 2A. Er PT. igang med at finde på en anden Komplet løsning, med dele der passer sammen. Bare rolig, det bliver billigt, kan jeg love:):)
Regler og Retningslinjer Læs her
Diy dele til automatisk vandpåfylning
-
snuble2
- Sommerfugl fisk

- Reactions: 0
- Indlæg: 159
- Tilmeldt: man 27. nov 2006 17:24
- 19
- Postnummer: 7000 Fredericia
- Saltvand siden?: 2007
Ja.. lidt træls med jobbet. Fuck Thansen. men videre med projektet.
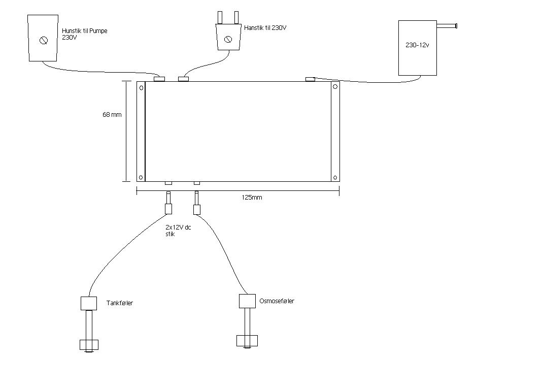
Har lavet et udkast over en samlet løsning. Baseret på relæ løsning og et powerhead
I praktisk sort plaskassse med flapper på siderne med huller så den nemt kan monteres i ens akvarieskab med 4 skruer.
Der er stik på niveaufølerne så man nent kan koble dem fra hunstik i Kassen(nemmere kabelføring). Alle Kabelgennemføringer er forsynet med aflastninger.
Alle kabler og stik er sorte for mere prof udseende.
Samlet bliver det for delene 246,25 kr incl moms. med 1 føler, og 308,25 med 2 følere+ lidt kabel.
Hvis jeg skal samle det her for folk regnede jeg med at tage 100 kr for det.
Så priserne bliver således:
Med 1 føler 350+fragt
med 2 følere 425+ fragt
For en samlet "plug'n'play løsning. Til sammenligning koster Tunze's 899,-
Beslag til følere skal i selv stå for.
Lad mig høre jeres mening?
Har lavet et udkast over en samlet løsning. Baseret på relæ løsning og et powerhead
I praktisk sort plaskassse med flapper på siderne med huller så den nemt kan monteres i ens akvarieskab med 4 skruer.
Der er stik på niveaufølerne så man nent kan koble dem fra hunstik i Kassen(nemmere kabelføring). Alle Kabelgennemføringer er forsynet med aflastninger.
Alle kabler og stik er sorte for mere prof udseende.
Samlet bliver det for delene 246,25 kr incl moms. med 1 føler, og 308,25 med 2 følere+ lidt kabel.
Hvis jeg skal samle det her for folk regnede jeg med at tage 100 kr for det.
Så priserne bliver således:
Med 1 føler 350+fragt
med 2 følere 425+ fragt
For en samlet "plug'n'play løsning. Til sammenligning koster Tunze's 899,-
Beslag til følere skal i selv stå for.
Lad mig høre jeres mening?
- Vedhæftede filer
-
- Automatisk vandpåfyldning High End.JPG (33.59 KiB) Vist 4207 gange
-
frederik
- Kejser fisk

- Reactions: 0
- Indlæg: 535
- Tilmeldt: man 21. nov 2005 14:10
- 20
- Postnummer: 8200 Århus N
- Saltvand siden?: 2006
- Geografisk sted: Århus
Vil lige høre om min kære brormand kan hjælpe mig med at samle skidtet... Syndtes det er lidt dyrt hvis det ikke tager mere 10-20 min. at gnubbe det sammen (ikke at jeg har noget imod at du samler det for 100,-! - det er faktisk virkelig fedt at du gider at tilbyde det overhovedet!) 
For akvarie setup - se min profil...
_______________________________________________________
Venlig Hilsen
Frederik
_______________________________________________________
Venlig Hilsen
Frederik
-
frederik
- Kejser fisk

- Reactions: 0
- Indlæg: 535
- Tilmeldt: man 21. nov 2005 14:10
- 20
- Postnummer: 8200 Århus N
- Saltvand siden?: 2006
- Geografisk sted: Århus
Iøvrigt er løsningen er vel uden pumpe, ik'?
Og ja! "Fuck Thansen"!
- nederen med jobbet!
Og ja! "Fuck Thansen"!
For akvarie setup - se min profil...
_______________________________________________________
Venlig Hilsen
Frederik
_______________________________________________________
Venlig Hilsen
Frederik
- ravnox
- Palet kirurg

- Reactions: 0
- Indlæg: 282
- Tilmeldt: fre 29. jul 2005 22:31
- 20
- Postnummer: 8381 Tilst
- Geografisk sted: 8381 Tilst DK
Ja surt show - har nu aldrig kunnet lide den forretning - har på fornemmeren at blive snydt hvergang jeg har været der
Nå mht. indlæg Skrevet: <I dag klokken 20:40> det ser rigtig godt ud, med relæet er der en bedre sikkerhed.
Et lille forslag til strømforsyningen 220 til 12V kunne du jo vælge en der kunne indbygges i kassen, så slipper du for at skulle have plads til 2 hanstik.
Nå mht. indlæg Skrevet: <I dag klokken 20:40> det ser rigtig godt ud, med relæet er der en bedre sikkerhed.
Et lille forslag til strømforsyningen 220 til 12V kunne du jo vælge en der kunne indbygges i kassen, så slipper du for at skulle have plads til 2 hanstik.
--- Niels som ikke har en smart quote,
250L Akvastabil + 60 L sump DIY 6*39W T5D org. armatur - nu også med IKS
250L Akvastabil + 60 L sump DIY 6*39W T5D org. armatur - nu også med IKS
-
snuble2
- Sommerfugl fisk

- Reactions: 0
- Indlæg: 159
- Tilmeldt: man 27. nov 2006 17:24
- 19
- Postnummer: 7000 Fredericia
- Saltvand siden?: 2007
Ravnox--> Jo..det..
Kunne fortælle en masse ting..
ang strømforsyningen.. havde jeg ikke lige tænkt, og det gør det kun billigere.
nye priser
saml selv:
1 føler: 225,- plus fragt
2 følere: 285,- plus fragt
Dele der indgår i systemet er følgene:
PRINTTRANSFORMATOR 1 x 12V/1.9VA 24,00
STÆRKSTRØMSRELÆ 12V/2 OMS. 22,80
RELÆFATNING FOR STÅENDE RELÆ TIL LODNING 10,80
FORLÆNGERLED 230V u.JORD SORT 16,80
STIKPROP m.AFL. BØJLE SORT FLAD 8,34 8,34
2stk DC CHASSISBØSNING 2.5 METAL HUL Ø=11mm 12,00
2stk DC-STIK Ø=2.1mm/5.5mm 2,88 5,76
FB13 BOX 125x68x25mm 24,00 24,00
2stk KLEMNIPPEL MED MØTRIK 2,00 4,00
2stk NIVEAUKONTAKT M/FLYDER(PROP) 49,60 99,20
Pris ialt DKK 227,70
25% Moms DKK 56,93
Pris incl. Moms DKK 284,63
Hertil kommer så lidt kabel+beslag til følere
Saml selv sættet kræver lodning!
Hvis jeg samler:
1 føler: 325,- plus fragt
2 følere 385,- plus fragt
Her er det så kun beslag i selv skal stå for
ang strømforsyningen.. havde jeg ikke lige tænkt, og det gør det kun billigere.
nye priser
saml selv:
1 føler: 225,- plus fragt
2 følere: 285,- plus fragt
Dele der indgår i systemet er følgene:
PRINTTRANSFORMATOR 1 x 12V/1.9VA 24,00
STÆRKSTRØMSRELÆ 12V/2 OMS. 22,80
RELÆFATNING FOR STÅENDE RELÆ TIL LODNING 10,80
FORLÆNGERLED 230V u.JORD SORT 16,80
STIKPROP m.AFL. BØJLE SORT FLAD 8,34 8,34
2stk DC CHASSISBØSNING 2.5 METAL HUL Ø=11mm 12,00
2stk DC-STIK Ø=2.1mm/5.5mm 2,88 5,76
FB13 BOX 125x68x25mm 24,00 24,00
2stk KLEMNIPPEL MED MØTRIK 2,00 4,00
2stk NIVEAUKONTAKT M/FLYDER(PROP) 49,60 99,20
Pris ialt DKK 227,70
25% Moms DKK 56,93
Pris incl. Moms DKK 284,63
Hertil kommer så lidt kabel+beslag til følere
Saml selv sættet kræver lodning!
Hvis jeg samler:
1 føler: 325,- plus fragt
2 følere 385,- plus fragt
Her er det så kun beslag i selv skal stå for
Senest rettet af snuble2 tirs 20. feb 2007 23:00, rettet i alt 1 gang.
-
snuble2
- Sommerfugl fisk

- Reactions: 0
- Indlæg: 159
- Tilmeldt: man 27. nov 2006 17:24
- 19
- Postnummer: 7000 Fredericia
- Saltvand siden?: 2007
Ovenstående bliver de endelige beløb!
I kan kun bestille sættene eller niveaukontakterne alene, ellers bliver det for bøvlet at ha med at gøre.
Tidligere regler gælder: i skriver til mig. jeg gir jer et ordrenr. og mit kontonummer. i forudbetaler og skriver ordrenummeret som besked i bankoverførslen.
Tingene bliver bestilt fredag såfremt der er over 5 interessede.
Jeg kan selvfølgelig bestille igen på et senere tidspunkt, hvis interessen er der.
I kan kun bestille sættene eller niveaukontakterne alene, ellers bliver det for bøvlet at ha med at gøre.
Tidligere regler gælder: i skriver til mig. jeg gir jer et ordrenr. og mit kontonummer. i forudbetaler og skriver ordrenummeret som besked i bankoverførslen.
Tingene bliver bestilt fredag såfremt der er over 5 interessede.
Jeg kan selvfølgelig bestille igen på et senere tidspunkt, hvis interessen er der.
- Vedhæftede filer
-
- opdateret info
- Automatisk vandpåfyldning High End.JPG (45.15 KiB) Vist 4163 gange
Senest rettet af snuble2 tirs 20. feb 2007 22:44, rettet i alt 2 gange.
-
frederik
- Kejser fisk

- Reactions: 0
- Indlæg: 535
- Tilmeldt: man 21. nov 2005 14:10
- 20
- Postnummer: 8200 Århus N
- Saltvand siden?: 2006
- Geografisk sted: Århus
vil også gerne have en med 1 føler: 225,- plus fragt. Har sendt pb.
For akvarie setup - se min profil...
_______________________________________________________
Venlig Hilsen
Frederik
_______________________________________________________
Venlig Hilsen
Frederik
-
frederik
- Kejser fisk

- Reactions: 0
- Indlæg: 535
- Tilmeldt: man 21. nov 2005 14:10
- 20
- Postnummer: 8200 Århus N
- Saltvand siden?: 2006
- Geografisk sted: Århus
Hmm... Med en føler vil det komme til at se sådan her ud? (har tilladt mig at låne dit billede fra før snuble2) -
- Vedhæftede filer
-
- AVP med en neviau føler
- AVP med en neviau føler.jpg (40.83 KiB) Vist 4229 gange
For akvarie setup - se min profil...
_______________________________________________________
Venlig Hilsen
Frederik
_______________________________________________________
Venlig Hilsen
Frederik
-
frederik
- Kejser fisk

- Reactions: 0
- Indlæg: 535
- Tilmeldt: man 21. nov 2005 14:10
- 20
- Postnummer: 8200 Århus N
- Saltvand siden?: 2006
- Geografisk sted: Århus
Super! - Så tror jeg godt jeg kan samle det selv, ved nærmere eftertanke. ... 
For akvarie setup - se min profil...
_______________________________________________________
Venlig Hilsen
Frederik
_______________________________________________________
Venlig Hilsen
Frederik
-
snuble2
- Sommerfugl fisk

- Reactions: 0
- Indlæg: 159
- Tilmeldt: man 27. nov 2006 17:24
- 19
- Postnummer: 7000 Fredericia
- Saltvand siden?: 2007
Så er der bestilt dele.
Desværre havde leverandøren ikke flere kabinetter af den slags med flapper på siden, så blev nød til at bestille tilsvarende uden. Jeg smider kabel til montering med gratis som et plaster på såret:)
Da jeg har fået et par henvendelser efter tidsfristen, vil der blive åbnet for bestilinger igen på et senere tidspunkt:)
Desværre havde leverandøren ikke flere kabinetter af den slags med flapper på siden, så blev nød til at bestille tilsvarende uden. Jeg smider kabel til montering med gratis som et plaster på såret:)
Da jeg har fået et par henvendelser efter tidsfristen, vil der blive åbnet for bestilinger igen på et senere tidspunkt:)



